場效應管分為增強型(常開型)和耗盡型(常閉型),增強型的管子是需要加電壓才...場效應管分為增強型(常開型)和耗盡型(常閉型),增強型的管子是需要加電壓才能導通的,而耗盡型管子本來就處于導通狀態,加柵源電壓是為了使其截止。
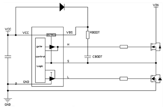
如果MOS的Drink極電壓為12V,Source極電壓原為0V,Gate極驅動電壓也為12V,那么...如果MOS的Drink極電壓為12V,Source極電壓原為0V,Gate極驅動電壓也為12V,那么當MOS在導通瞬間,Soure極電壓會升高為Drink減壓減去一個很小的導通壓降,那么Vgs電...
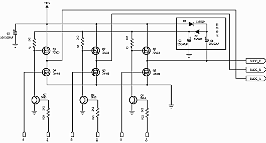
CMOS邏輯電路,分兩部分,上拉部分,下拉部分。上拉部分由PMOS管電路構成,下拉...CMOS邏輯電路,分兩部分,上拉部分,下拉部分。上拉部分由PMOS管電路構成,下拉部分由NMOS管電路組成,如下。上下拉,形成互補。
由于MOS管截止時漏極和源極之間的內阻Ror非常大,所以截止狀態下的等效電路可以...由于MOS管截止時漏極和源極之間的內阻Ror非常大,所以截止狀態下的等效電路可以用斷開的開關代替,如圖a所示。MOS管導通狀態下的內阻RoN約在1kΩ以內,而且與VGs的數...
NMOS管的主回路電流方向為D極到S極,導通條件為VGS有一定的壓差,即VG-VS>VTH;...NMOS管的主回路電流方向為D極到S極,導通條件為VGS有一定的壓差,即VG-VS>VTH;PMOS管的主回路電流方向為S極到G極,導通條件為VSG有一定的壓差,即VS-VG>VTH。故一...
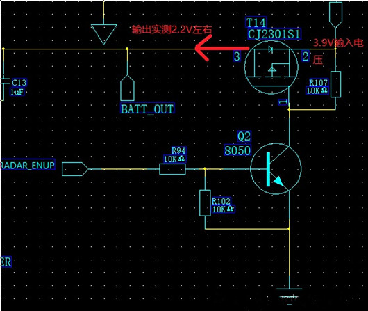
當5V沒接入時,PMOS管的柵極通過電阻R1下拉到地(0V),鋰電池BAT(3.7~4.2V)...當5V沒接入時,PMOS管的柵極通過電阻R1下拉到地(0V),鋰電池BAT(3.7~4.2V)通過MOS管的內部體二極管到達源極,源極電壓為(3~3.5)V,此時Ugs為(-3.5)V到(-...