逆變器電路圖-解析逆變器電路圖及原理詳解-KIA MOS管
信息來源:本站 日期:2018-04-18

逆變器是通過半導體功率開關的開通和關斷作用,把直流電能轉變成交流電能的一種變換裝置,是整流變換的逆過程。
車載逆變器的整個電路大體上可分為兩大部分,每部分各采用一只494或7500芯片組成控制電路,其中第一部分電路的作用是將汽車電瓶等提供的12V直流電,通過高頻PWM (脈寬調制)開關電源技術轉換成30kHz-50kHz、220V左右的交流電;第二部分電路的作用則是利用橋式整流、濾波、脈寬調制及開關功率輸出等技術,將30kHz~50kHz、220V左右的交流電轉換成50Hz、220V的交流電。
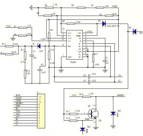
(1)腳第一組放大器的同相輸入端,檢測輸出電流,與3個0.33R電阻分壓,當電流過大時,分壓電阻上的電壓超過(2)腳基準電壓,(3)腳放大器輸出端輸出高電平,(3)腳為高電平時,電路進入保護狀態。(2)腳為比較器的反相輸入端,接(14)腳基準,作比較器的參考電壓,外部輸入端的控制信號可輸入至腳(4)的截止時間控制端(也叫死區時間控制),與腳(1)、(2)、(15)、(16)誤差放大器的輸入端,其輸入端點的抵補電壓為120mV,其可限制輸出截止時間至最小值,大約為最初鋸齒波周期時間的4%。當13腳的輸出模控制端接地時,可獲得96%最大工作周期,而當(13)腳接制參考電壓時,可獲得48%最大工作周期。如果我們在第4腳截止時間控制輸入端設定一個固定電壓,其范圍由0V至3.3V之間,則附加的截止時間一定出現在輸出上。 (5)、(6)腳是一個固定頻率的脈沖寬度調制電路,內置了線性鋸齒波振蕩器,振蕩頻率可通過外部的一個電阻和一個電容進行調節,其振蕩頻率如下:
輸出脈沖的寬度是通過電容CT上的正極性鋸齒波電壓與另外兩個控制信號進行比較來實現。功率輸出管Q1和Q2受控于或非門。當雙穩觸發器的時鐘信號為低電平時才會被選通,即只有在鋸齒波電壓大于控制信號期間才會被選通。當控制信號增大,輸出脈沖的寬度將減小。(7)腳接地端,(8)、(11)腳是Q1和Q2內部開關管的集電極,在此電路中接電源,(9)、(10)腳為Q1、Q2的發射極,作開關管驅動輸出端,接下圖中Q1與Q2外部放大電路。以驅動后極推挽電路。(12)腳電源端,(13)腳為輸出控制端,接(14)腳基準電壓時兩路輸出脈沖相差180方位,每路輸出量大約200MA的驅動推挽或半橋式電路。(15)、腳第二組放大器的反相輸入端,接基準電壓, (16)腳同相輸入端,檢測電源電壓。當電壓過高超過(15)腳參考電壓時,(3)腳輸出高電平,電路進入保護狀態。
這是一個推挽式拓撲逆變電路,當E1驅動脈沖驅動時,Q1導通,使VT3、VT6導通,VT7、VT8截止,此時電路進行正半周波形放大,變壓器升壓到次級,通過高頻整流管整流,當E2脈沖驅動時,Q2導通,驅動VT7、VT8導通。VT3、VT6截止,進得負半周波形放大。經升壓變壓器升壓后,高頻整流。
(此VT3\6\7\8以推挽方式存在于電路中,各負責正負半周的波形放大任務,電路工作時,兩只對稱的功率開關管每次只有一對導通,所以導通損耗小效率高。推挽輸出既可以向負載灌電流.)

最后由TL494CN芯片的5腳外接點容C3和6腳外接電阻R15決定脈寬頻率為F=1.1÷(0.1×220)KHZ=50HZ控制Q10、Q11、Q13、Q14工作在50HZ的頻率下,將220V直流電逆變為220V/50HZ的交流電,上圖將完成這部分功能。TL494正向時,IC2控制Q3為飽和導通狀態,Q4為截止狀態,由于Q3為飽和導通狀態,則Q10為飽和導通狀態。由于Q4處于截止狀態,Q11因柵極無正偏壓而處于截止狀態,同時Q14因柵極無正偏壓而處于截止狀態, Q13為飽和導通狀態。此時220V直流電經VT6沿XAC插座到負載再經VT10接地,形成正半周期電流;反向時,IC2控制Q3為截止狀態,Q4為飽和導通狀態,由于Q3為截止狀態,則Q10、Q13因柵極無正偏壓而處于截止狀態,由于Q4為飽和導通狀態,Q11處于飽和導通狀態,同時Q14處于飽和導通狀態,Q11因柵極無正偏壓而處于截止狀態。此時220V直流電經VT9沿XAC插座到負載再經VT7接地,形成負半周期電流;這樣接將220V直流電成功轉變為220V/50HZ交流電輸出供負載使用。
電路中采用雙運放比較放大器LM358來控制輸出過流保護,輸出電壓過低保護電路,TL431在此設制2.5V基準電壓,給比較器同相輸入端作參考電壓,第一組運放的同相輸入端接輸出電流檢測,反相輸入端接參考電壓,當電流過大,比較器輸入電壓升高,當超過2.5V時,輸出端輸出高電平,送入IC1的3腳,IC關閉輸出。第二組運放同相輸入端接參考電壓,反相輸入端接輸出電壓,當電壓過低,檢測分壓后電壓低于2.5V時,輸出端輸出高電平,Q1導通,蜂鳴器報警。
1.直流電可以通過震蕩電路變為交流電
2.得到的交流電再通過線圈升壓(這時得到的是方形波的交流電)
3.對得到的交流電進行整流得到正弦波
AC-DC就比較簡單了 我們知道二極管有單向導電性
可以用二極管的這一特性連成一個電橋
讓一端始終是流入的 另一端始終是流出的這就得到了電壓正弦變化的直流電 如果需要平滑的直流電還需要進行整流 簡單的方法就是連接一個電容
Inverter 是一種DC to AC的變壓器,它其實與Adapter是一種電壓逆變的過程。Adapter是將市電電網的交流電壓轉變為穩定的12V直流輸出,而Inverter是將 Adapter輸出的12V直流電壓轉變為高頻的高壓交流電;兩個部分同樣都采用了目前用得比較多的脈寬調制(PWM)技術。其核心部分都是一個PWM集 成控制器,Adapter用的是UC3842,I
nverter則采用TL5001芯片。TL5001的工作電壓范圍3.6~40V,其內部設有一個誤差放大器,一個調節器、振蕩器、有死區控制的PWM發生器、低壓保護回路及短路保護回路等。
以下將對Inverter的工作原理進行簡要介紹:
輸入接口部分:
輸 入部分有3個信號,12V直流輸入VIN、工作使能電壓ENB及Panel電流控制信號DIM。VIN由Adapter提供,ENB電壓由主板上的MCU 提供,其值為0或3V,當ENB=0時,Inverter不工作,而ENB=3V時,Inverter處于正常工作狀態;而DIM電壓由主板提供,其變化 范圍在0~5V之間,將不同的DIM值反饋給PWM控制器反饋端,Inverter向負載提供的電流也將不同,DIM值越小,Inverter輸出的電流 就越大。
電壓啟動回路:
ENB為高電平時,輸出高壓去點亮Panel的背光燈燈管。
PWM控制器:
有以下幾個功能組成:內部參考電壓、誤差放大器、振蕩器和PWM、過壓保護、欠壓保護、短路保護、輸出晶體管。
直流變換:
由MOS開關管和儲能電感組成電壓變換電路,輸入的脈沖經過推挽放大器放大后驅動MOS管做開關動作,使得直流電壓對電感進行充放電,這樣電感的另一端就能得到交流電壓。
LC振蕩及輸出回路:
保證燈管啟動需要的1600V電壓,并在燈管啟動以后將電壓降至800V。
輸出電壓反饋:
當負載工作時,反饋采樣電壓,起到穩定Inventer電壓輸出的作用。
其實你可以想象一下了.都有那些電子元件需要正負極,電阻,電感一般不需要.二極管一般壞的可能就是被擊穿只要電壓正常一般是沒有問題的,三極管的話是不會 導通的.穩壓管如果正負接反的話就會損壞了,但一般有的電路加了保護就是利用二極管的單向導通來保護.在就是電容了,電容里有正負之分的就是電解電容了, 如果正負接反嚴重的話其外殼發生爆裂.
主要元件二極管.開關管振蕩變壓器.取樣.調寬管.還有振蕩回路電阻電容等參開關電路原理.
逆變器的主功率元件的選擇至關重要,目前使用較多的功率元件有達林頓功率晶體管(BJT),功率場效應管(MOSFET),絕緣柵晶體管(IGBT)和可關 斷晶閘管(GTO)等,在小容量低壓系統中使用較多的器件為MOSFET,因為MOSFET具有較低的通態壓降和較高的開關頻率,在高壓大容量系統中一般 均采用IGBT模塊,這是因為MOSFET隨著電壓的升高其通態電阻也隨之增大,而IGBT在中容量系統中占有較大的優勢,而在特大容量(100KVA以 上)系統中,一般均采用GTO作為功率元件
大件:場效應管或IGBT、變壓器、電容、二極管、比較器以及3525之類的主控。交直交逆變還有整流濾波。
功率大小和精度,關系著電路的復雜程度。
可以看一下手機充電器,這就是一個小開關電源!
IGBT(絕 緣柵雙極晶體管)作為新型電力半導體場控自關斷器件,集功率MOSFET的高速性能與雙極性器件的低電阻于一體,具有輸入阻抗高,電壓控制功耗低,控制電 路簡單,耐高壓,承受電流大等特性,在各種電力變換中獲得極廣泛的應用。與此同時,各大半導體生產廠商不斷開發IGBT的高耐壓、大電流、高速、低飽和壓 降、高可靠性、低成本技術,主要采用1um以下制作工藝,研制開發取得一些新進展。
聯系方式:鄒先生
聯系電話:0755-83888366-8022
手機:18123972950
QQ:2880195519
聯系地址:深圳市福田區車公廟天安數碼城天吉大廈CD座5C1
請搜微信公眾號:“KIA半導體”或掃一掃下圖“關注”官方微信公眾號

請“關注”官方微信公眾號:提供 MOS管 技術幫助